|
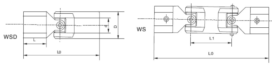
WS/WSD Small Universal Shaft Features and Applications: Work with low torques at less than 45. It is suitable for transmission shafts that are mainly connected to different shafts and cannot function as buffering and damping. The keyway, hexagonal hole, and square hole can be opened as required.
WS - double shaft type;
WSD - single axis;
![]() ![]() |



